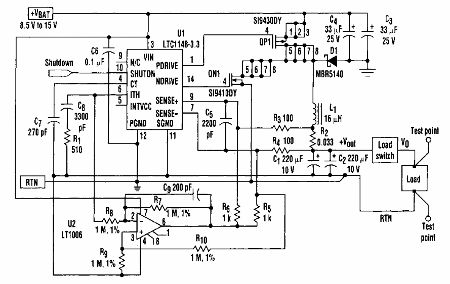
This switching power supply was found in an Electronic Design from the 90s. The components are from the period.
Maxim MAX20094 and MAX20095 Battery Chargers Maxim Integrated offers through Mouser Electronics high...
This circuit suggested by Intersil, provides a Kelvin scale of 3 and a half digits in a 7106, with...
Found in National Semiconductor documentation from the 1990s, this circuit switches video signals to...