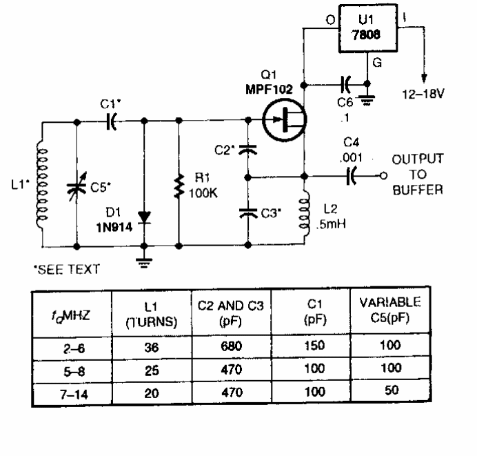
This circuit was found in a Popular Electronics from the 90's. The frequencies depend on the components indicated in the table next to the diagram.
This circuit, which can be used on percussion instruments, has the oscillation point adjustment made in...
I found this circuit on a December 1976 Radio Elettronica. The Italian magazine no longer exists, but...
The circuit shown is suggested by Texas Instruments and uses the TL489 as a base, thus providing 5 levels...