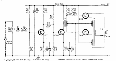
Using germanium transistors, this amplifier provides a 540mW output power when powered by 9V. We found it in a Mullard manual from 1960.

Using germanium transistors, this amplifier provides a 540mW output power when powered by 9V. We found it in a Mullard manual from 1960.
