This variable oscillator with power step for alarms was found in an American documentation from the 90's. The power transistor must be equipped with a heat sink.
This simple solar powered MW receiver was obtained from a 1974 Popular Electronics. The transistor can...
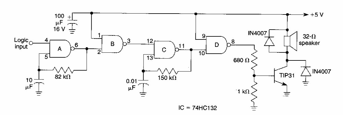
The integrated circuit used in this configuration is not very common today. However, more modern...
This circuit was found in a 90s Popular Electronics. The integrated circuit used is similar to the 741....