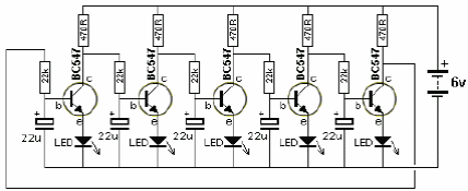
This circuit operates according to the same principle as the previous one, but it has a difference in the way the LEDs are excited. In it, the LEDs are connected to the emitter of each transistor.

This circuit operates according to the same principle as the previous one, but it has a difference in the way the LEDs are excited. In it, the LEDs are connected to the emitter of each transistor.
