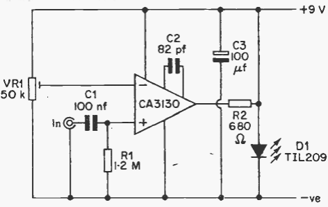
The basis of this 90s circuit is a CA3130 operational amplifier. The circuit does not need a symmetric power source and the trigger point adjustment is done in VR1.

The basis of this 90s circuit is a CA3130 operational amplifier. The circuit does not need a symmetric power source and the trigger point adjustment is done in VR1.
