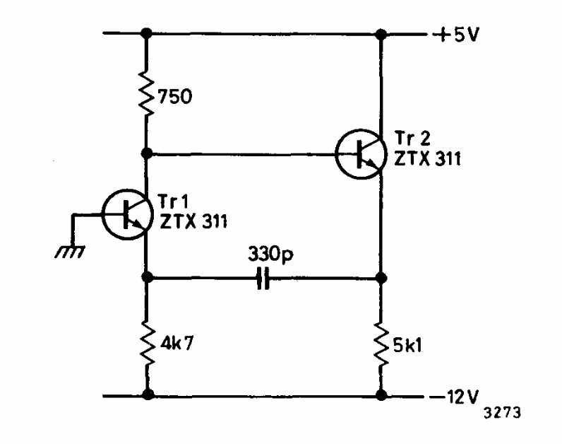
With the indicated components, this circuit oscillates at 1232 Hz. Consider the tolerance of the components. The circuit is from a 1974 Ferranti transistor manual.
This amplifier must be supplied with a voltage of 24 V and the resting current is of the order of 4...
This circuit is from a magazine 73 for radio amateurs of the 90s. The circuit generates the high...
This circuit generates quadrature signals in frequency that depend on the 18 pF capacitors. These...