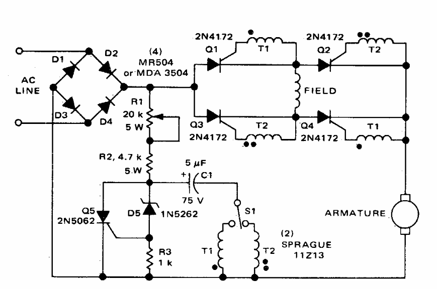
This circuit from a 1970s General Electric publication applies to motors of the series winding type. SCRs support current equivalents and must be equipped with heat sinks.
This circuit can switch signals in the 3.5 to 30 MHz band. We found it in a QST magazine from the...
This is the receiver for the CB17133E. Its main feature is that it uses only transistors. The...
This is another one of the many versions of Nicad battery chargers that we have on the website and in...