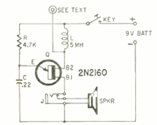
This simple circuit is from a Radio Electronics from July 1965. The circuit can be assembled with the 2N2646. The circuit can be changed in R to a potentiometer in the tone control.

This simple circuit is from a Radio Electronics from July 1965. The circuit can be assembled with the 2N2646. The circuit can be changed in R to a potentiometer in the tone control.
