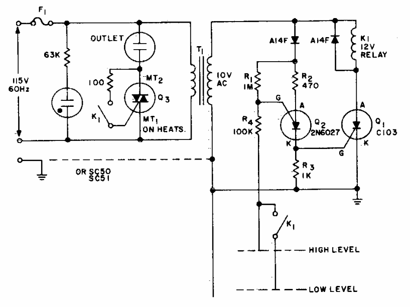
Found in old documentation, this circuit has only the most difficult component to obtain the PUT. The sensors are electrodes placed in the reservoir. The circuit directly controls an AC power load.
This circuit is from a Radio Electronics magazine from December 1958. The indicator instrument is analog...
This circuit sends signals to a shortwave radio (range 3 to 7 MHz) at a distance of a few tens of...
This circuit was found in an Electronics World of 1968. It can be applied to any modern triac and...