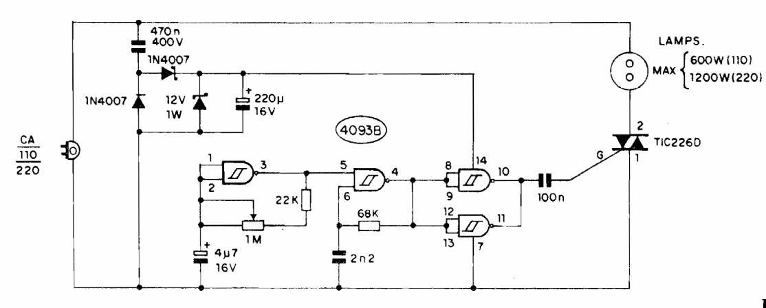
This old circuit is suitable for signaling applications. The lamp must be incandescent, and the triac must be mounted on a heat sink. The frequency is adjusted in the 1 M trimpot.
The circuit presented is suggested by National Semiconductor in its Linear Applications Handbook. The...
In this application we show how to get tuning from 0 V to an LM350 regulator IC. The setting also...
This frequency corresponds to musical note C3. Frequency accuracy depends on the accuracy of the...