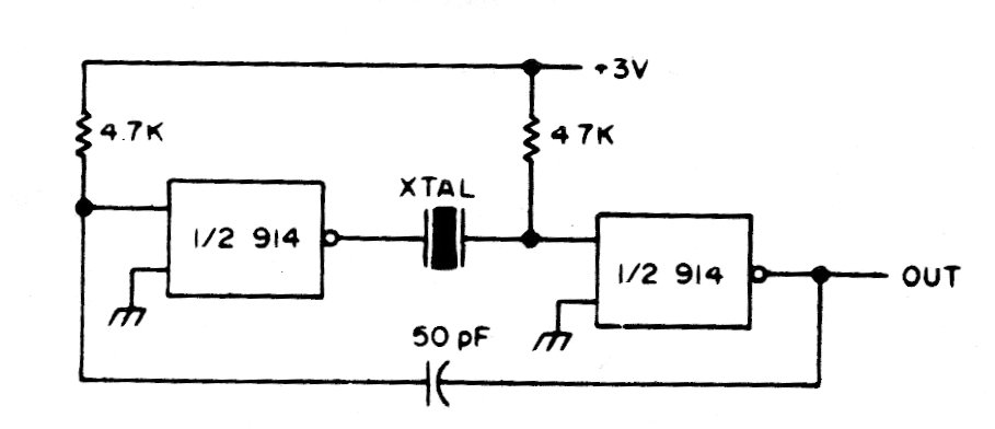
The integrated circuit used in this application is uncommon today. The circuit is from American documentation from the 1980s. It can be changed to use more modern equivalent components.
The circuit presented is suggested by National Semiconductor in its Linear Applications Handbook. The...
In this application we show how to get tuning from 0 V to an LM350 regulator IC. The setting also...
This frequency corresponds to musical note C3. Frequency accuracy depends on the accuracy of the...