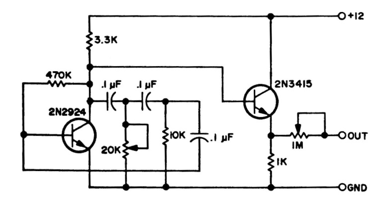
The original purpose of this circuit, which we find in old American documentation, is to modulate an RF carrier for telecommunications applications. Transistors support equivalents.
This circuit uses a FET to drive an LED with constante currente. The current up to 20 mA can be...
This circuit was found in a 1999 publication. Its purpose is to flash two LEDs according to the...
With this voltmeter with high input resistance, voltages from 10 mV to 50 V. can be measured. FETs...