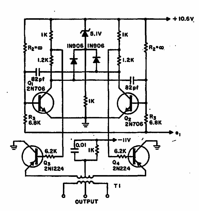
This circuit was obtained from an Electronic Design from 1964. Transistors admit modern equivalents and the range of frequencies generated can be changed.
We found this circuit in a 1992 documentation. It consists of a digital signal splitter used in...
This control from a 1989 publication can be assembled with several equivalent components. The SCR,...
This power control was found in a 1968 power circuit manual. The SCRs are according to the power of...