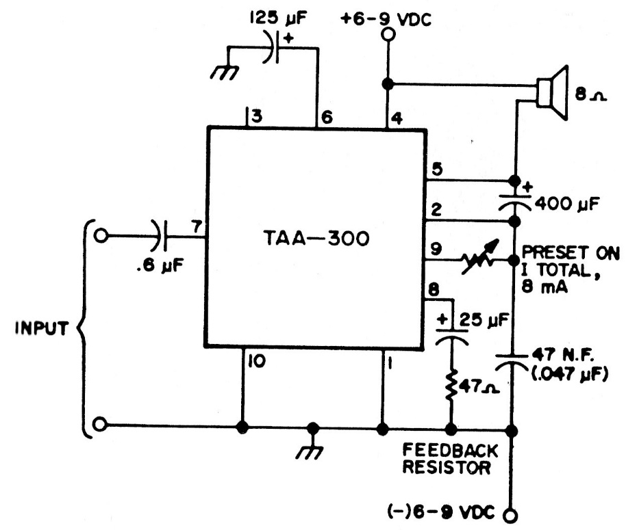
The integrated circuit used in this 70's application is not common today. The circuit consists of a small audio amplifier with few external components.
This circuit was found in a Texas Instruments optoelectronics documentation. The gain depends on...
This oscillator circuit is from a Radio Electronics magazine from September 1960. The frequency depends...
Using a reed relay, this protection circuit depends only on the adjustment of the closing point by a wire...