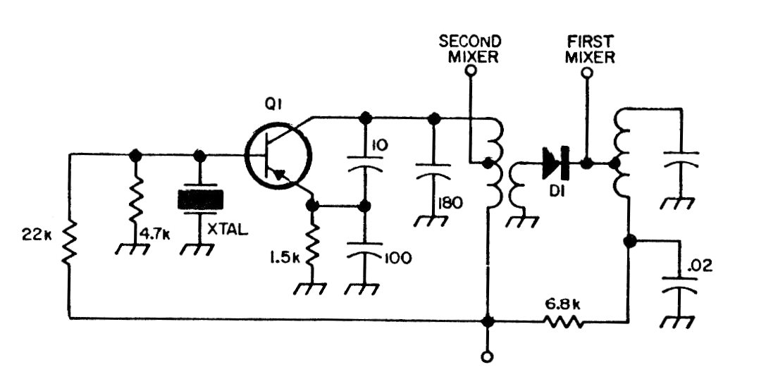
This circuit generates a signal for double conversion receivers. The signal has the frequency determined by the crystal. The transistor can be an RF PNP or even an NPN if the polarity of the supply is reversed.
This circuit generates a signal for double conversion receivers. The signal has the frequency determined by the crystal. The transistor can be an RF PNP or even an NPN if the polarity of the supply is reversed.