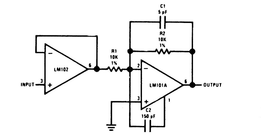
This fast inverter amplifier with high input impedance uses operational amplifiers from the 80's, the year of publication from which the circuit was removed. The circuit can be implemented with modern operationals and must be powered by a symmetrical source.




