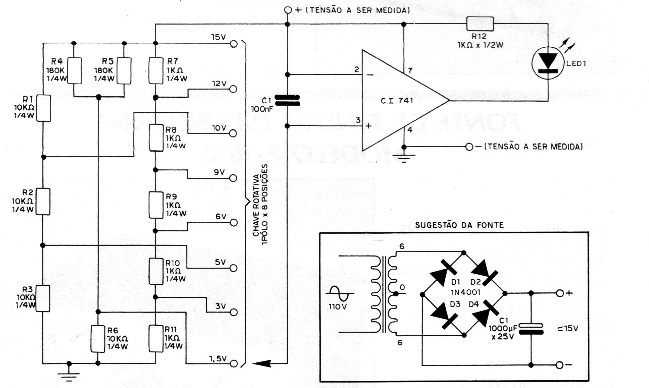
This circuit for the 1.5 to 15 V scaled ranges was found in a 1982 documentation, but uses current components, being also given the power supply. With changes, it can be used as an input shield or even monitoring for triggers. In the original publication there is a connection between the input and power of the CI. She does not exist. The CI must be supplied with 15 V from the indicated source.




