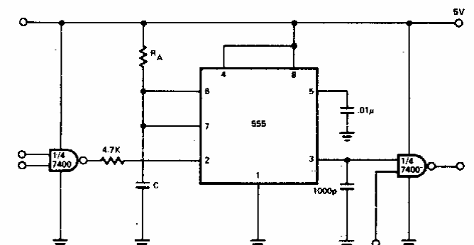
This circuit, which can be used as a shield, has its time determined by RA and C connected at the input of the 555.
With this circuit it is possible to monitor the charge and discharge of a battery. The circuit is...
Found in 90s Radio Electronics, this shield can control high voltage loads in the power grid....
The duration of the output pulse in this circuit depends on C. This capacitor can have values in...