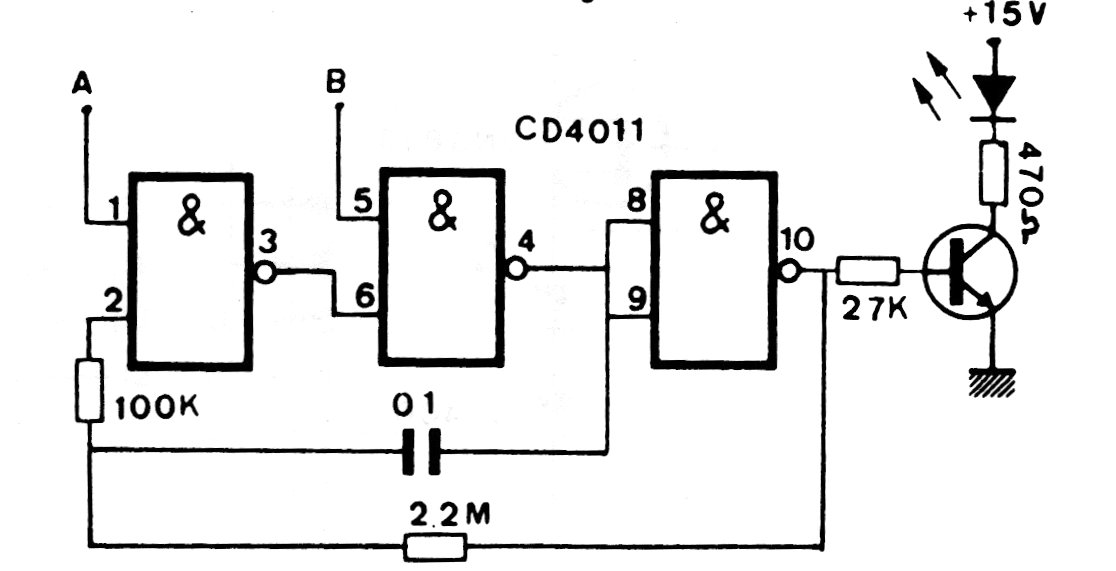
This circuit causes an LED to flash at a frequency determined by capacitor C1. The circuit can be powered by voltages from 3 to 15 V and the indicated resistor depends on the current on the LED, which can be changed. The 4011 power pins are not indicated. The circuit is controlled by pins A and B and to be used as a Shield the power must be 5 V.




