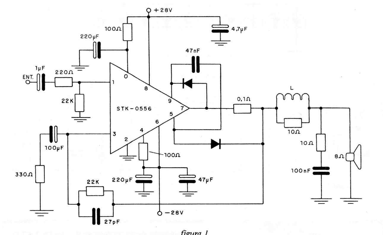
This amplifier, common in 1986, uses a hybrid integrated circuit that can offer some difficulty to obtain today. However, it results in an amplifier of excellent qualities. The source must be at least 1.2 A. The STK circuit must be mounted on a heatsink.




