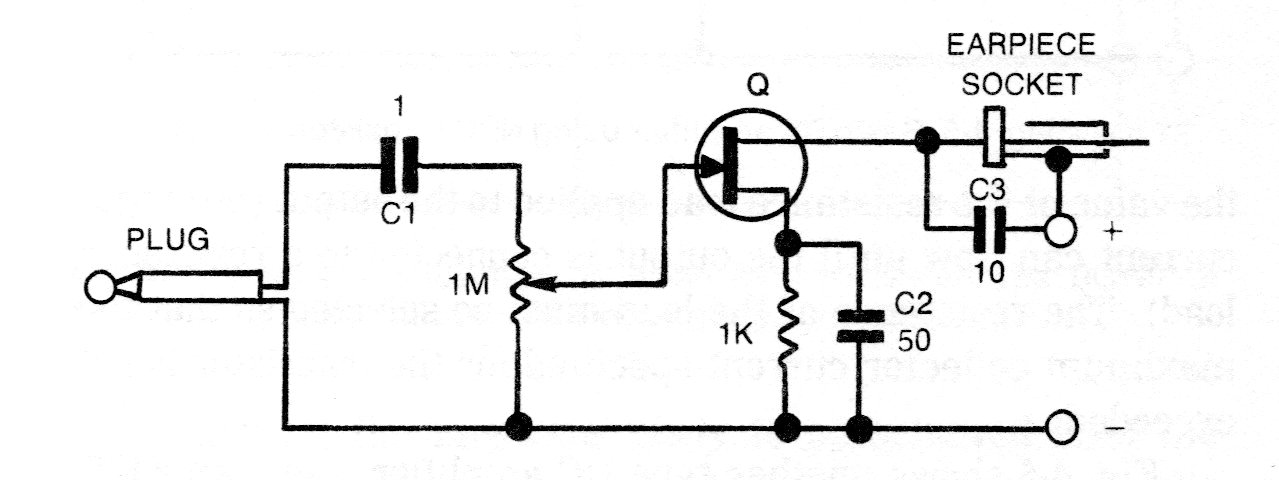
This is a small audio amplifier for headphones for experimental receivers. The transistor can be BF245 or equivalent and the potentiometer adjusts the step gain. The handset must be high impedance magnetic. The supply must be made with voltages from 6 to 12 V.




