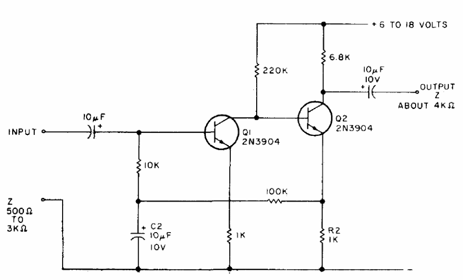
We found this audio amplifier stage with 500 ohms of input impedance in an old American publication. The transistors can be the BC548 and the power can come from the battery because the consumption is low. Signal cables must be shielded.
We found this audio amplifier stage with 500 ohms of input impedance in an old American publication. The transistors can be the BC548 and the power can come from the battery because the consumption is low. Signal cables must be shielded.