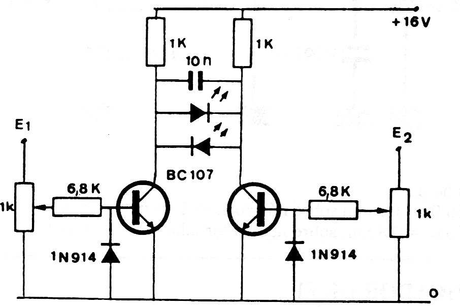
This circuit has appeared in several versions in this section and on our website. The transistors can be the BC548 and the power can be removed from the sound equipment with which it works. Trigger adjustments are made in the trimpots. The supply voltage can be between 9 and 18 V.




