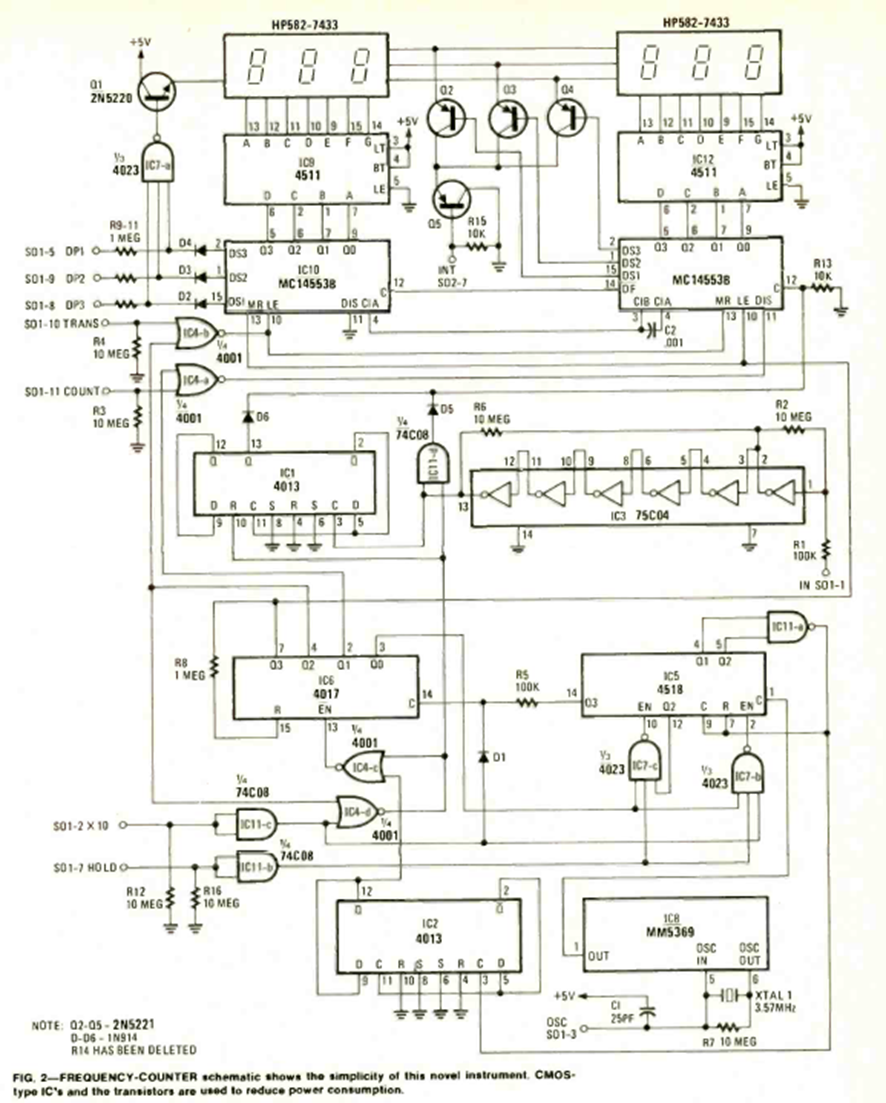
We found this circuit in the October 1978 issue of Radio Electronics magazine. The magazine article describes its assembly. The circuit is a 6-digit circuit using components from the time.
This oscillator was found in the November 1986 issue of Radio Electronics magazine. The frequency...
This sophisticated circuit with a low, medium, and high treble filter is from 1990 documentation. The...
This circuit was obtained from a 1998s Popular Electronics. The magazine no longer exists, but the...