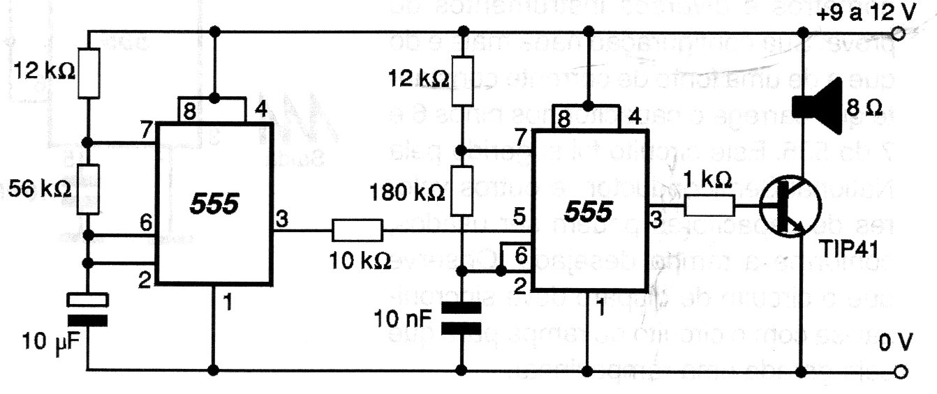
This siren configuration using the 555 has already been explored in other circuits on this site. In this case, the power stage uses a TIP41 that must be provided with a heat sink for higher voltages. The circuit can be powered by voltages from 9 to 12 V.




