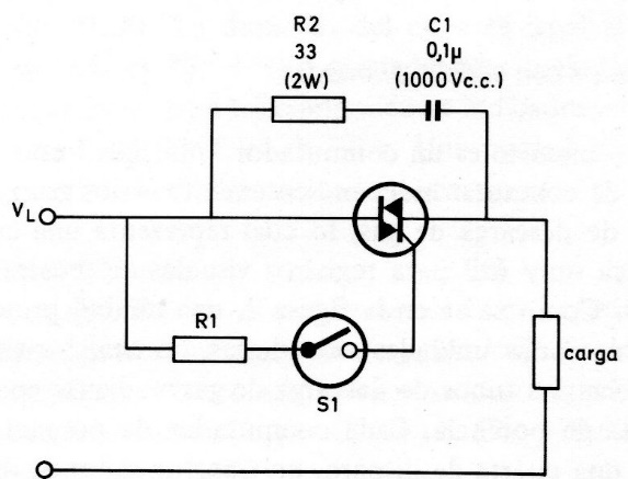
This circuit, which appears at various points in this section and on the website with minor variations, is from a 1975 Miniwatt magazine, at the time a division of Philips. The 470 ohms R resistor typically depends on the sensitivity of the triac that must be equipped with a heat sink, depending on the load.




