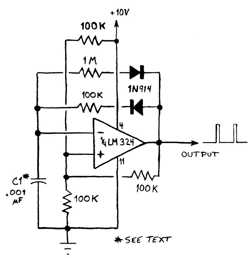
The pulse duration is determined by the 100k resistor and the separation by the 1M resistor. The frequency is given by the capacitor and equivalent operational amplifiers can be used in this circuit of American documentation from 1991. The source does not have to be symmetrical and the power supply made with voltages from 6 to 12 V. For the indicated capacitor, the frequency is 600 Hz.




