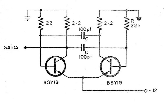
The curiosity of this circuit is in the way it was designed, as it was found in a 1967 documentation. The frequency of the circuit is given by the capacitors, and the signal obtained is rectangular. The transistors can be the BC548. The supply voltage can be between 3 and 12 V.




