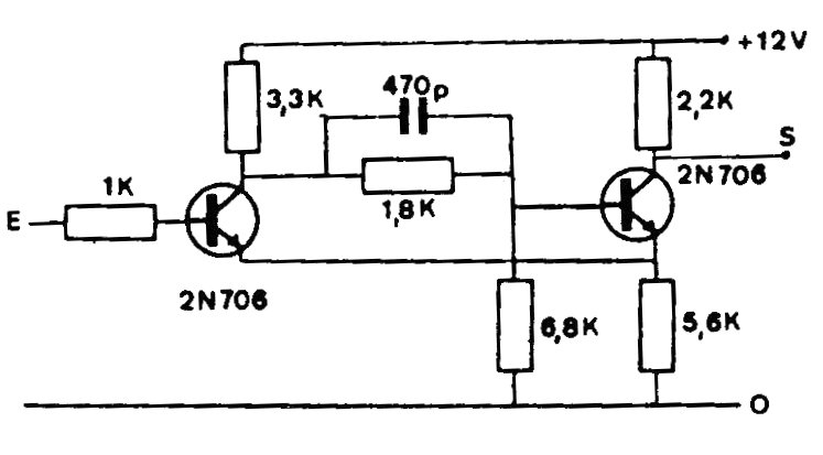
This Schmitt trigger was found in old documentation. The transistors can be of the general-purpose type like BC548 or even 2N2222.
This circuit, from the 90's, is intended for operation with vinyl record players of the time, as...
This circuit measures the conductivity of a saline solution, which is affected by the electrolysis effect....
This circuit, which uses an unusual integrated, is from the Motorola Linear Databook of 1990....