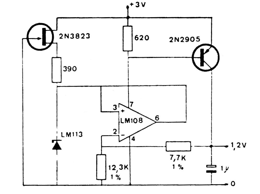
This very low voltage regulator for 3 V input (2 batteries) was obtained in a documentation from the 80's. The transistors admit modern equivalents and the integrated circuit is not a common type today. It must also be replaced by an equivalent modern type.




