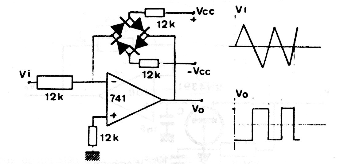
This “zero crossing detector” was found in a manual of operational amplifiers from the 1980s. Diodes are for general use and other operational ones can be used. The power supply must be symmetrical with voltage according to the operation and the application.




