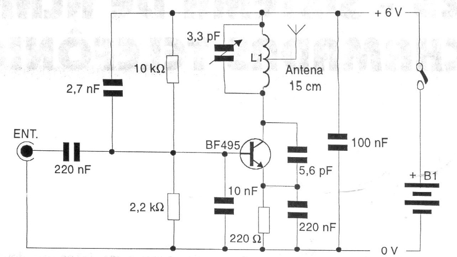
This circuit has a configuration very explored in our projects. The range can exceed 200 meters and the power comes from a 9 V battery. A piezoelectric microphone can be connected to the input. The coil has 4 coils of wire 24 or 26 in a 1 cm diameter coreless form.




