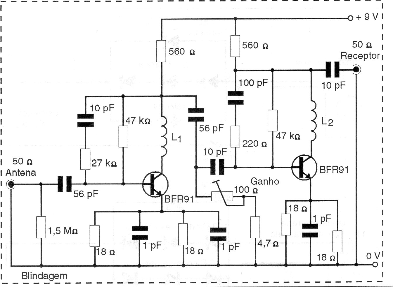
This circuit consists of a booster for signals from the FM, VHF and UHF bands, and can be used with common external antennas. The circuit has a good gain, and the coils are formed by 2 turns of wire 22 in the form of 5 mm in diameter without core. Capacitors are ceramic and 1 pF capacitors can be made with 2.5 cm pieces of covered or 28 AWG covered wire.




