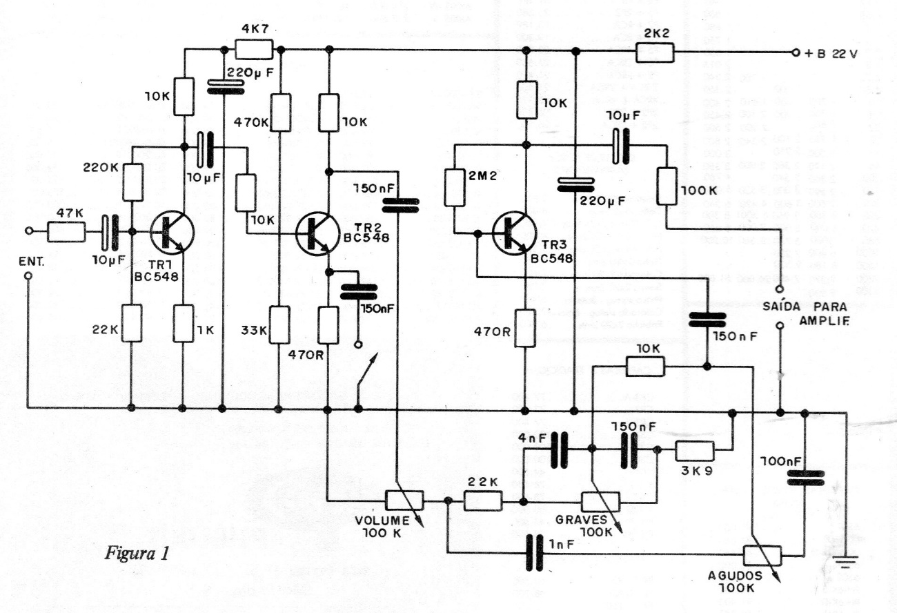
This excellent preamp for use with guitars was found in a 1986 documentation. The key on the TR2 transmitter allows you to reinforce the bass and the circuit also includes a tone control. The supply can be done with voltages of 8 to 22 V removed from the amplifier with which it must work.




