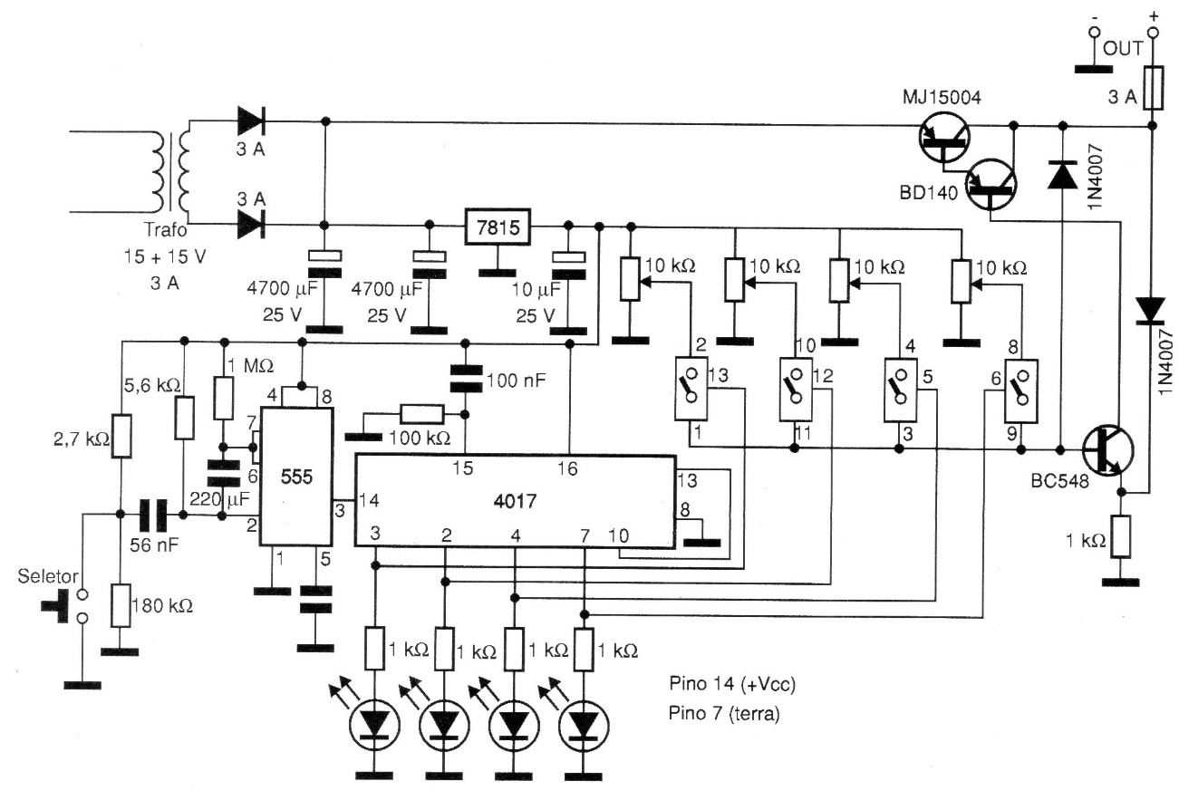
This circuit, published in 2009, offers excellent voltage regulation due to the use of an integrated circuit of the 78XX family as a voltage reference. The BC548 acting as an amplifier increases the performance of the power stage. The diodes at the circuit output reduce the current passing through the BD140 and the MJ5004 in the event of a short circuit. The MJ5004 must be mounted on a good heat sink. The voltage selector step is based on a 555 working as monostable and with 2.7k, 180k, 5.6k resistors and the 56 nF capacitor working as anti-ringing for the 555 trigger by a push-button. The pulse generated by the 555 is applied to a 4017 decade counter configured for 4 channels, which can be extended to up to 10 channels. The resistor and capacitor connected to pin 15 of the 4017 resets the circuit every time it is turned on. Each output of this counter is connected to a digital key of a 4066. Each 10k trimpot is adjusted with a voltage (ex: 4,5, 6, 9 and 12 V).




