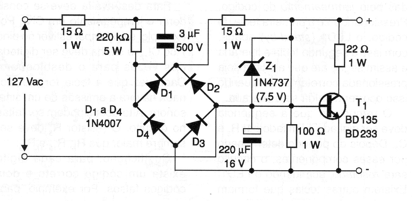
This is another one of the many versions of Nicad battery chargers that we have on the website and in this section. The circuit is characterized by using a source without a transformer, requiring care in handling so that there is no shock. The 3 uF capacitor is not critical and types from 2.7 to 4.7 uF with insulation voltage of at least 400 V can be used. For the 220 V network use a 1.5 uF to 2 polyester capacitor, 2 uF with 600 V or more of insulation voltage.




