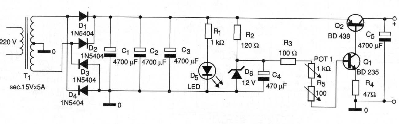
The power supply shown can supply voltages of approximately 0 V to 12 V with a maximum current of 4.5 A, presenting excellent filtration and fine adjustment for greater precision in obtaining the desired output voltage. This source can be used to power small and medium power amplifiers. The output transistors must be provided with heat sinks. All resistors have a 5% tolerance and 1/8 W dissipation, except R4, which must be 5 A. The diodes and transistors admit equivalent.




