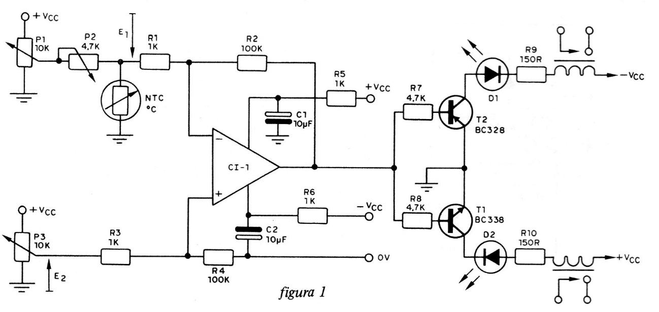
This circuit was found in a 1986 documentation and can use any operational amplifier like the 741 or comparator like the LM339, hence the pinout is not indicated. The supply can be made with 12 V, which is the voltage of the relay and the NTC must have a resistance of the order of 10 k at room temperature.




