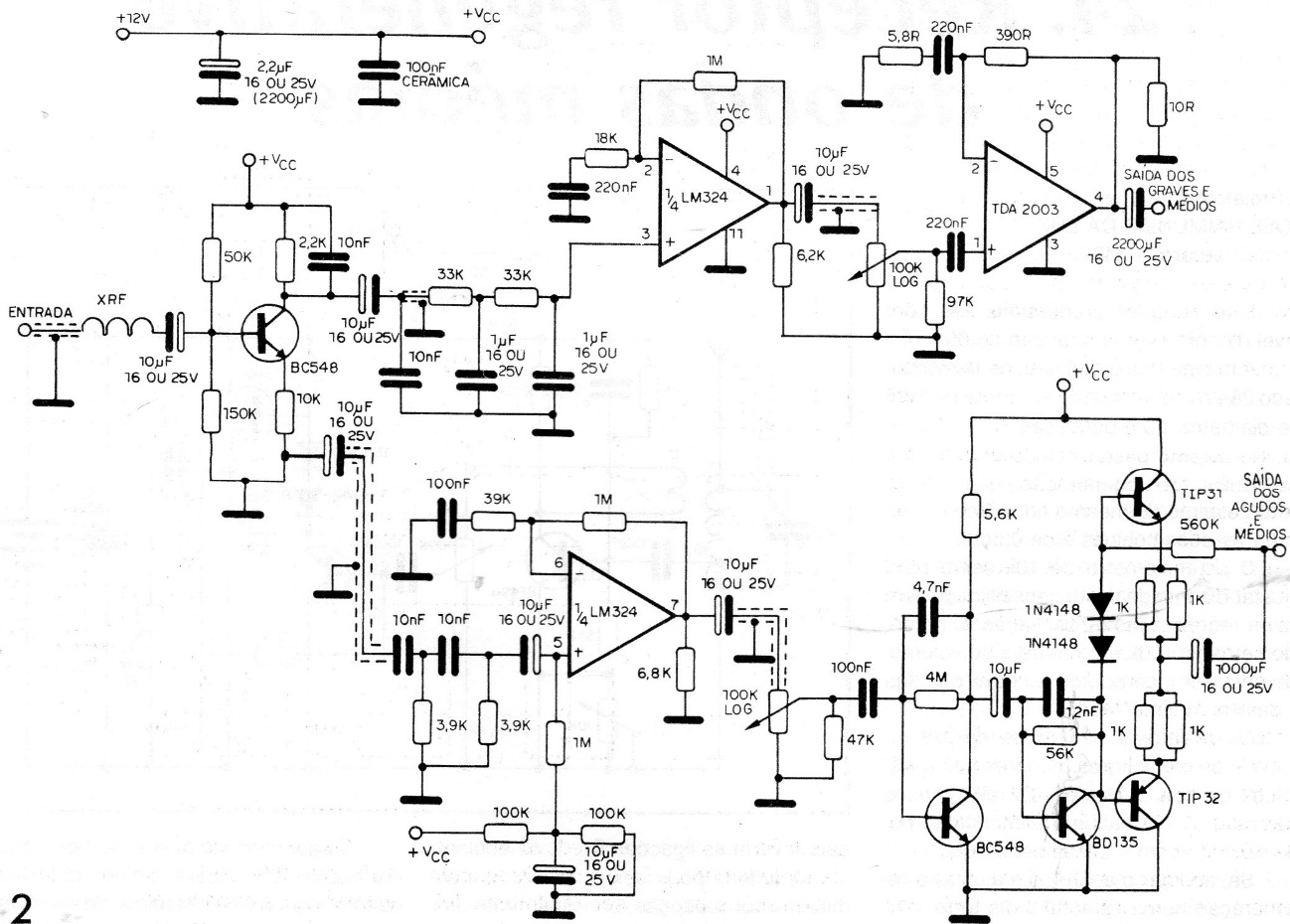
This circuit was obtained in a 1986 documentation consisting of an active frequency divider for automotive use. The circuit has a power amplifier stage whose transistors must be mounted on good heat sinks and a stage with an integrated circuit.
This circuit was obtained in a 1986 documentation consisting of an active frequency divider for automotive use. The circuit has a power amplifier stage whose transistors must be mounted on good heat sinks and a stage with an integrated circuit.