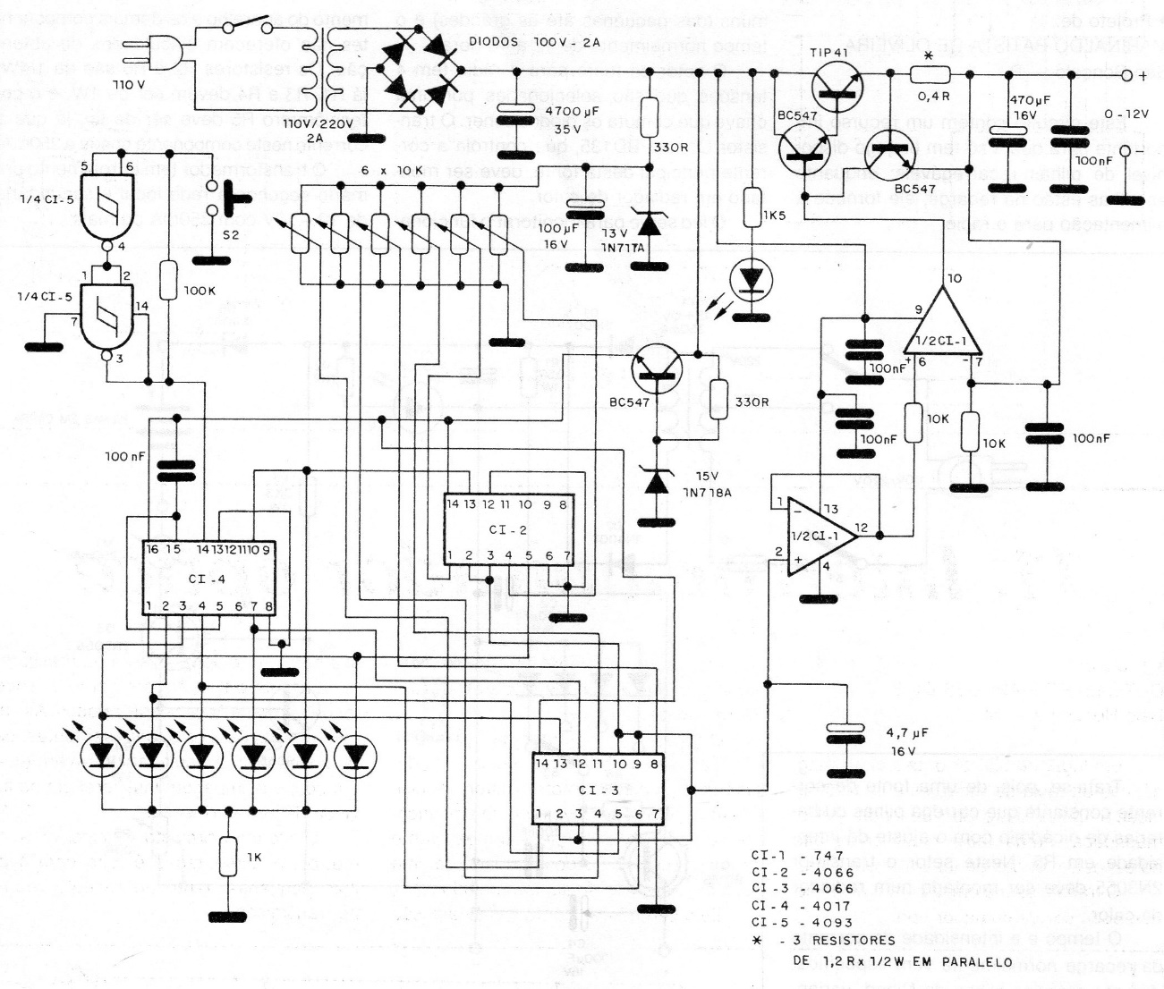
This sophisticated source has a digital indication, and the output voltages are adjusted in trimpots. Power transistors must be provided with heat sinks. The circuit was found in a 1989 documentation but uses components that are still common in our market.




