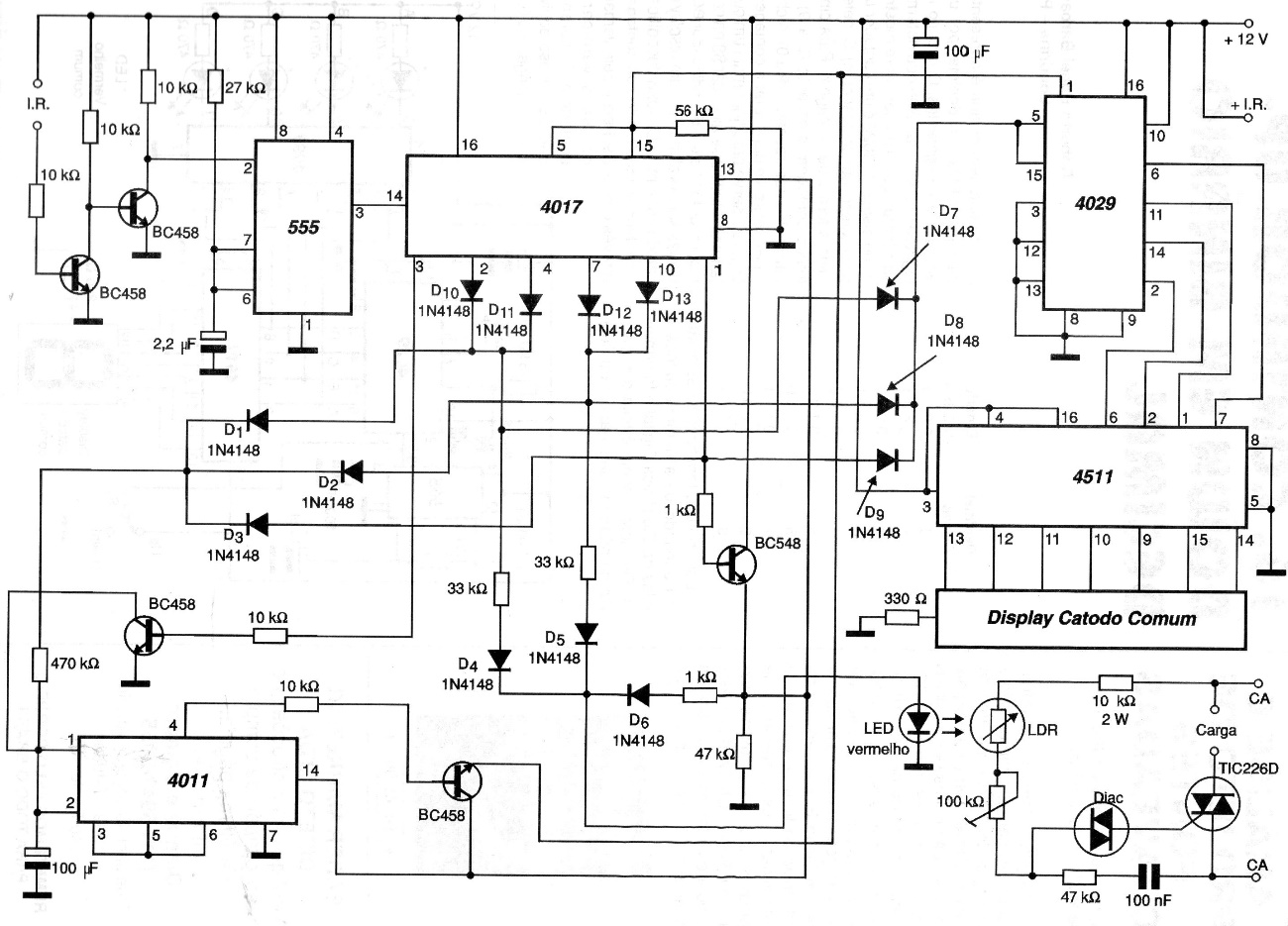
This circuit automatically controls the degree of illumination. As the circuit is from 2001, it only applies to incandescent lamps, but the reader will certainly find interesting applications for it. The circuit is based on CMOS technology and must be powered by a voltage of 12 V.




