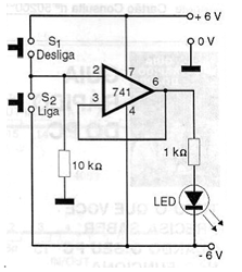
The configuration shown is a flip-flop that can be triggered by means of two push buttons normally open type. One of the switches turns the LED on by setting the flip-flop while the other switches off the LED by resetting the circuit. It is, therefore, a flip-flop of the R-S type. This circuit must be powered by a symmetrical power source from 6 volts as shown in the figure. Of course, instead of the LED, we can use a transistorized step with a relay as a load to be able to control larger loads. A driver with a BC548 transistor or equivalent can be used for this purpose.




