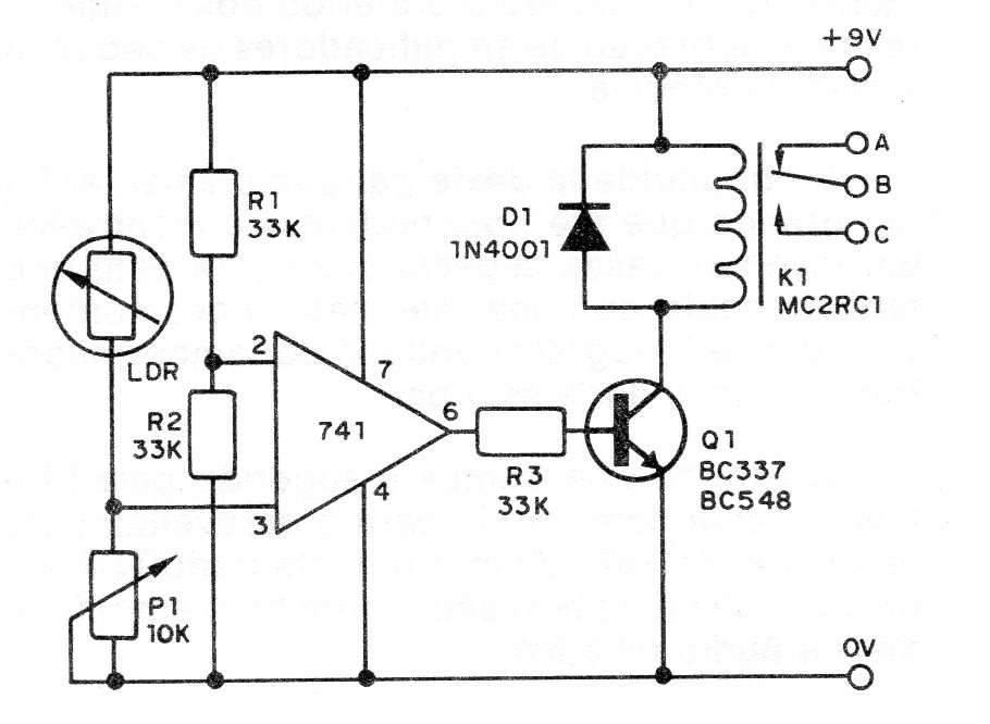
This circuit, which can be found elsewhere on this website, uses a 741 operational amplifier and a 6 V relay, despite the 9 being powered (the relays always support a slightly higher voltage). The ideal would be to supply the circuit with 12 V and use a relay for this voltage.




