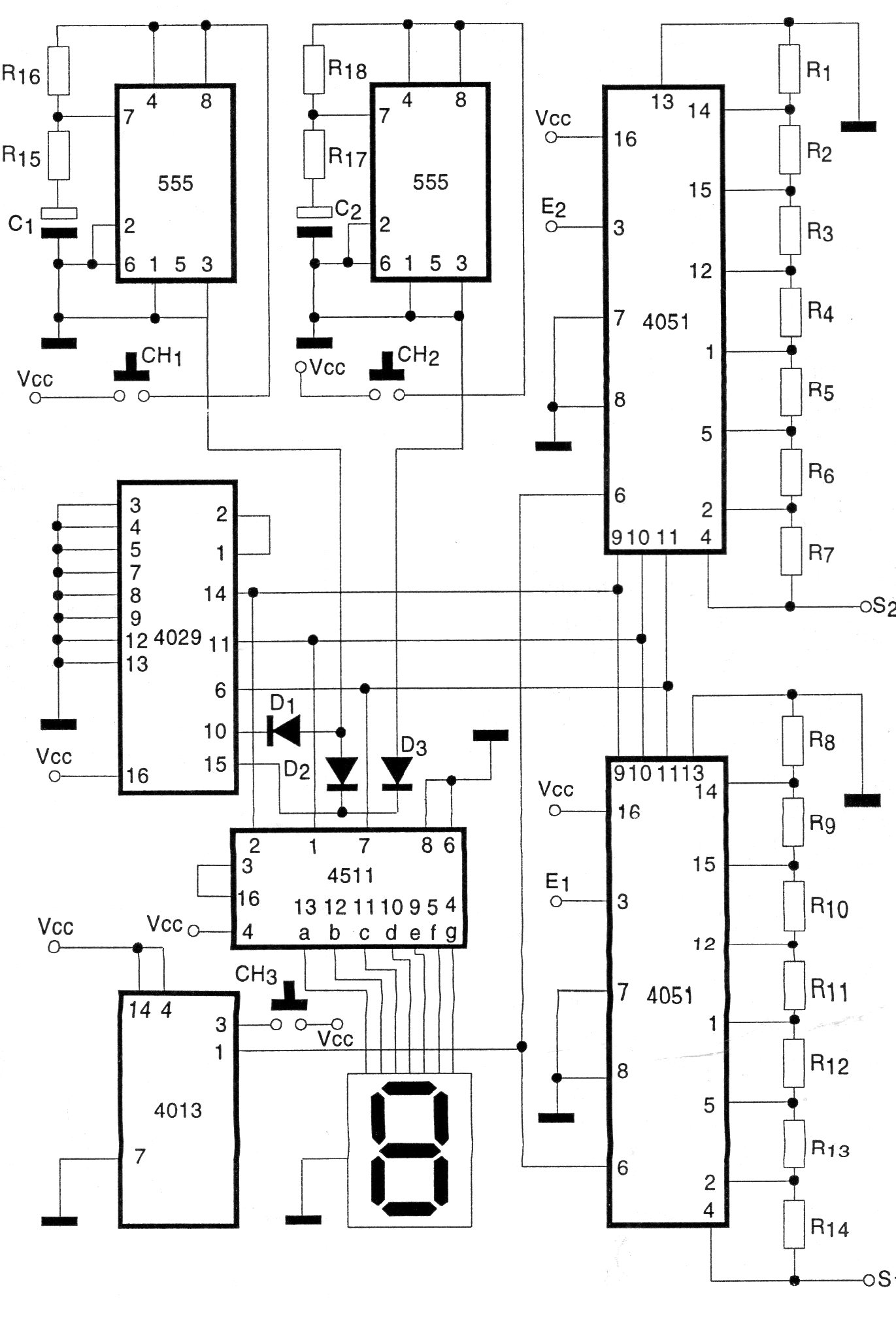
This 1998 circuit controls the volume in a stereo system by touching switches. The circuit is for small signals. The resistors from R1 to R14 and R17 are 2k2. The resistors from R16 to R18 are 10 k. the diodes are 1N4148 and the capacitors are 100 uF.




