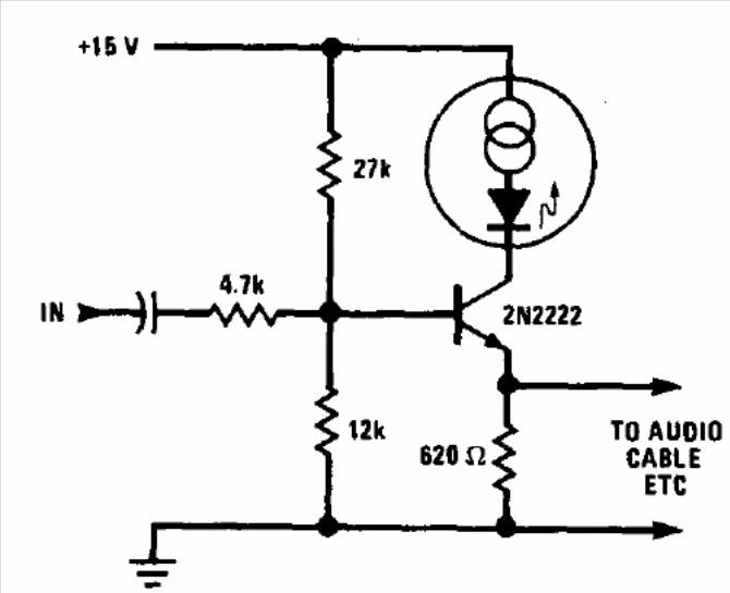
This circuit, from a 1976 National Semiconductor manual, is intended for current in a load using an LED as a reference for a constant current source. The transistor supports equivalents, and the circuit voltage can be modified.
This circuit, from a 1976 National Semiconductor manual, is intended for current in a load using an LED as a reference for a constant current source. The transistor supports equivalents, and the circuit voltage can be modified.