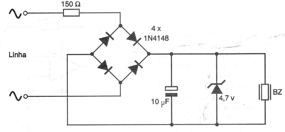
This circuit allows the activation of a remote telephone bell made with a common piezoelectric capsule. The circuit does not need power, as it is powered by the line call signal itself.
This class B circuit was found in the 1960 Mullard transistor reference manual. Transformers are...
This circuit has been found in an old American documentation and is intended for calibration of radio...
When S1 is in 1, the circuit operates with of half the total power applied to the load. When in...