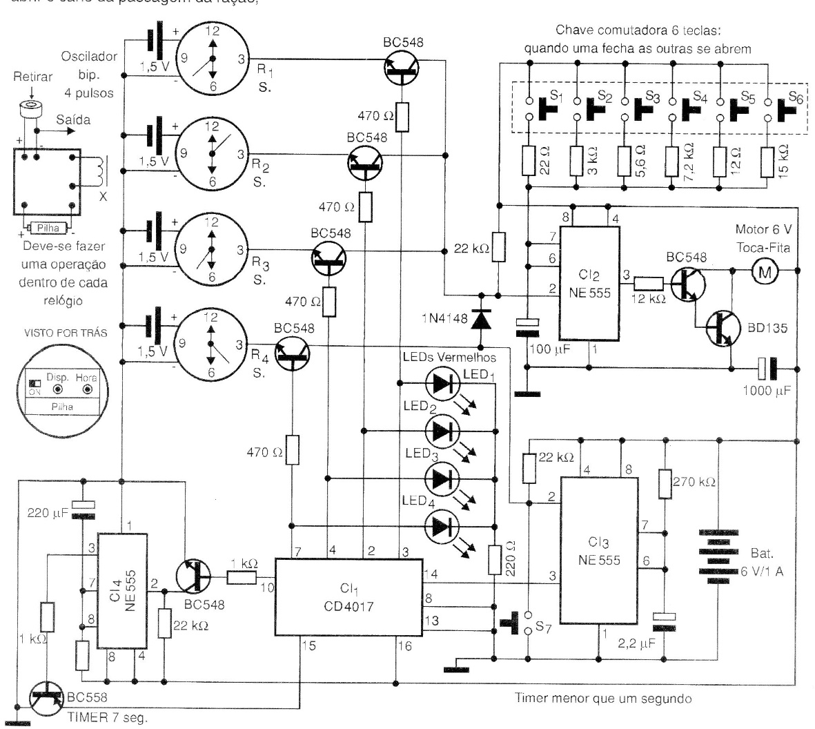
This circuit was found in a 2006 publication. It can serve as the basis for a microcontrolled version that would be simpler. You want to take a short trip and have no one to leave your dog with. The solution is an automatic feeder that works as follows: The clocks have a mechanism that unlocks when it arrives at the programmed time (activating the beep of 4 pulses in 1 second) after 40 minutes, it resets. Thus, the CI-1 has the function of turning these clocks on and off in sequence. The first three clocks R1, R2, and R3 send negative pulses to CI-2 and CI-3 (555). CI-2 is a timer that starts a motor whose purpose is to open the feed passage pipe, then close it. Through the return elastic the barrel is closed. CI-3 sends a negative pulse only to CI-3, triggering the output of pin 10 of CI-1. CI-4 has the function of resetting the circuit, initializing the process. Setting: 1) The current time on all watches.
2) Time of day for feeding between:
R1 R2 R3 R4
6:00 11:00 4:00 always
7:00 12:00 5:00 2 hours
8:00 1:00 6:00 before
9:00 am 2:00 pm 7:00 am R3
3) Touch S7 and check the LED that lights up indicating which clock will be unlocked. The feed used must be hard to slide down the pipe.




