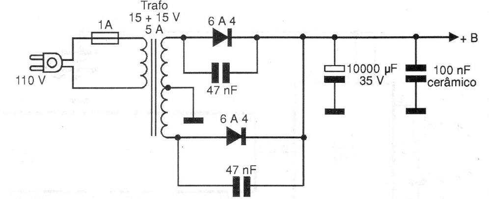
This simple source is indicated for voltage regulators of 5 A x 12 V as the one found in CB17141E. The diodes are for 6 A or more with 50 V of reverse voltage or more. The transformer is 5 A or less according to the regulator used.
This simple source is indicated for voltage regulators of 5 A x 12 V as the one found in CB17141E. The diodes are for 6 A or more with 50 V of reverse voltage or more. The transformer is 5 A or less according to the regulator used.