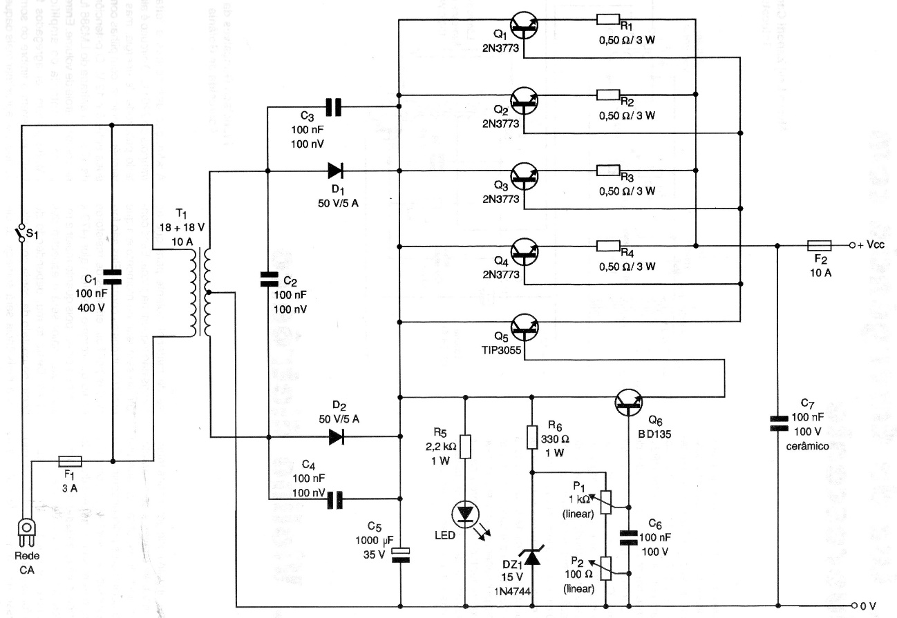
This powerful 10-amp power supply was found in a 2001 documentation. The power transistors must be equipped with excellent heat sinks and the wiring made with thick tracks or cables at the points where the current intensity is greatest.
This powerful 10-amp power supply was found in a 2001 documentation. The power transistors must be equipped with excellent heat sinks and the wiring made with thick tracks or cables at the points where the current intensity is greatest.